We use cookies to improve your user experience and for web traffic statistics purposes. By continuing to use this website, you agree to our use of cookies. Our Privacy & Cookie Policy contains more information.
Product Coding

Rated Table


















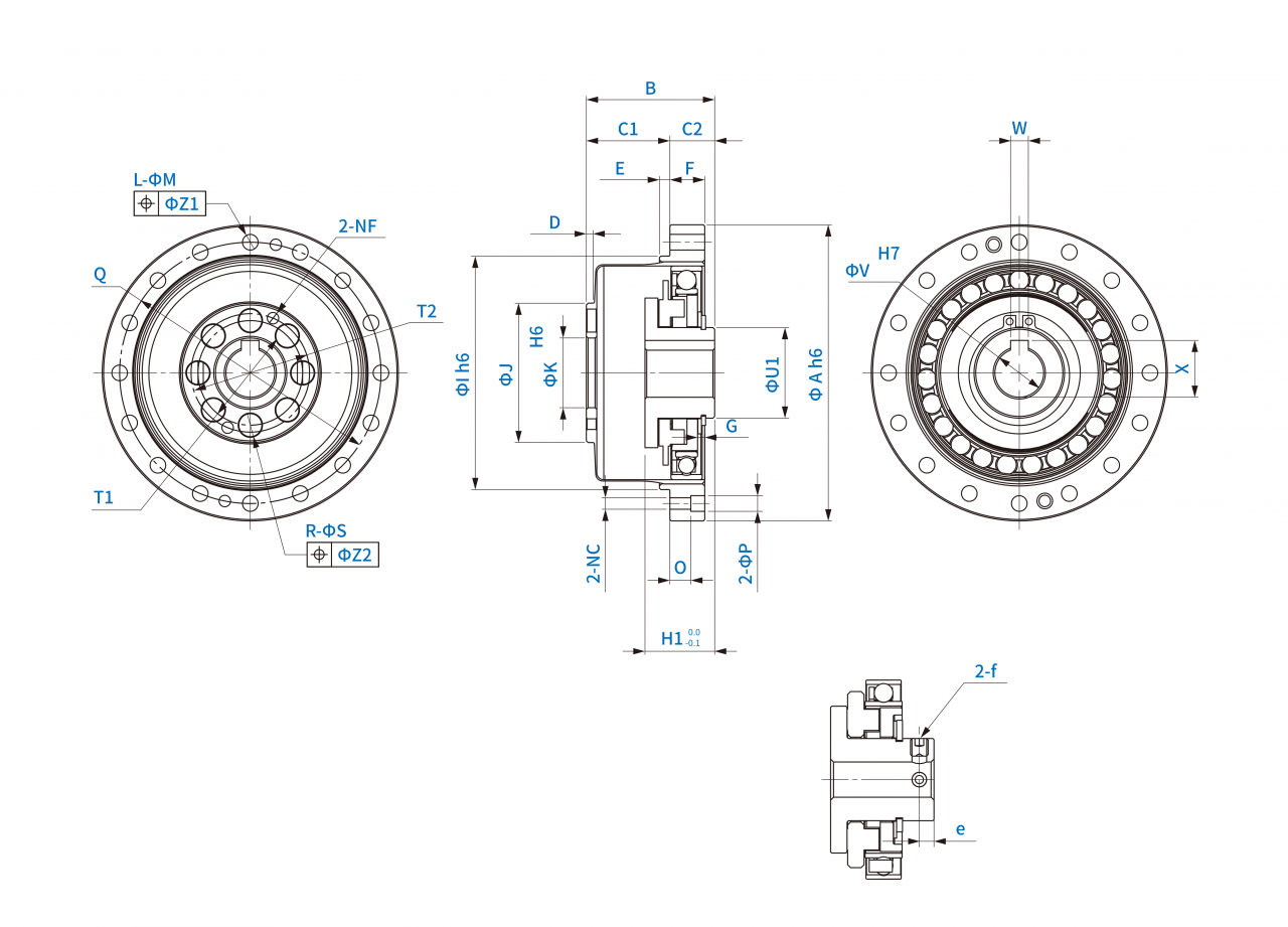
Appearance Drawing


