We use cookies to improve your user experience and for web traffic statistics purposes. By continuing to use this website, you agree to our use of cookies. Our Privacy & Cookie Policy contains more information.
Unit Type with Hollow Shaft(HGUH)
Hat Type Harmonic Drive
Unit Type with Hollow Shaft
Features
HGUH adopts a hollow hole structure,
which can arrange pipes and wing in the hollow structure of the rotation center without biasing the motor,
which contributes to the miniaturization of the device layout.
The configuration has a front and rear cover design.
Both front and rear covers are sealed with shaft seals and O-rings.
This reducer has a good leak proof effect.
Applications
Automation/ Industry 4.0 / Robotics.
Unit Type with Hollow Shaft
Features
HGUH adopts a hollow hole structure,
which can arrange pipes and wing in the hollow structure of the rotation center without biasing the motor,
which contributes to the miniaturization of the device layout.
The configuration has a front and rear cover design.
Both front and rear covers are sealed with shaft seals and O-rings.
This reducer has a good leak proof effect.
Applications
Automation/ Industry 4.0 / Robotics.
Product Coding

Rated Table








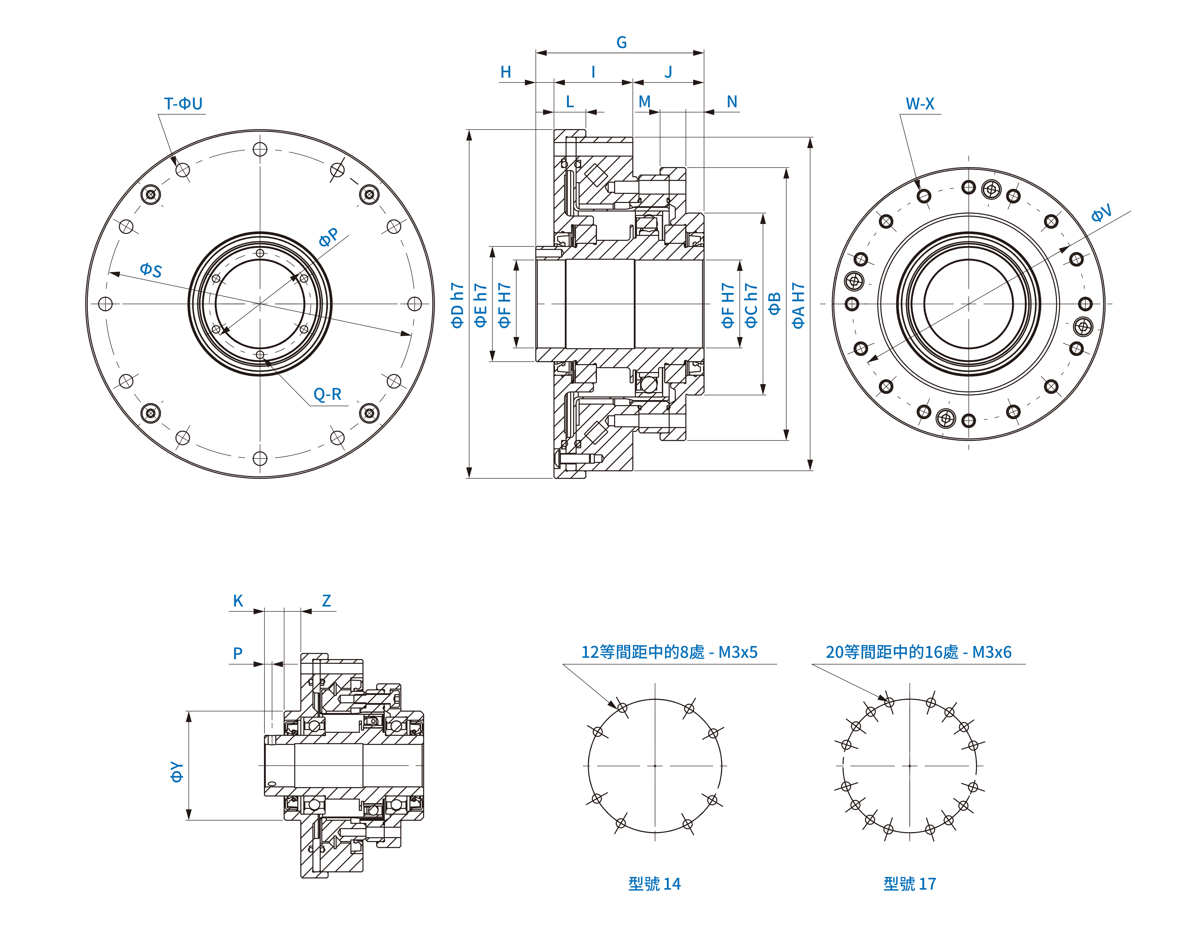
Appearance Drawing

